|
|
Пользователи музыкальных компьютеров объединяйтесь!
|
| Автор |
Сообщение |
ALS
Ветеран
    
Откуда: Севастополь
Сообщений: 12
Репутация: 0
|
RE: Пользователи музыкальных компьютеров объединяйтесь! / 17-06-2013 20:05
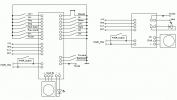
На днях закончил отладку ИК-приемника, "специально обученного" под управление сМР2.
Главное отличие от всех ныне выпускаемых комплектов ДУ - он подключается через разъем PS/2.
Компьютер видит его как обычную клавиатуру, никакие дополнительные драйвера для него не нужны, т.о. даже в предельно затвиканной WinXP размером 20-30МБ этот приемник выполняет свои функции.
Есть и "расширенная" версия, с поддержкой кнопок управления (до 15-ти, на фото), которые подключаются непосредственно к плате приемника.
В обеих версиях есть возможность включать/выключать ПК с пульта.
Поддерживаются пульты с кодировкой NEC, RC5 и RC6, в первую очередь - совместимые с пультом от MCE remote control.
Коды клавиш в приемниках переназначены именно для сМР (не секрет, что cics немного недомудрил с управлением, в частности, это касается регулировки громкости и выключения ПК).
Также есть возможность управлять курсором мыши, правда, для обеспечения этого режима требуется запуск программы-транслятора кодов.
Перемещение курсора в этом случае немного дискретное (5...10пикс. на шаг) но, в целом, управлять можно.
В сумме, если компьютер "заточен" под сМР, то можно вообще обойтись без клавиатуры/мыши.
Приемники делал на заказ, поэтому если вдруг кому интересно по приобретению - лучше писать в ЛС. На все технические вопросы отвечу здесь.
|
|
|
|
Выразили согласие: | |
|
Выразили согласие: | |
|
Выразили согласие: | |
|
vl27
Ветеран
    
Откуда: Новомосковск
Сообщений: 1 546
Репутация: 362
|
|
|
|
Sajk
Ветеран
Откуда: Киев
Сообщений: 910
|
|
|
|
Выразили согласие: | |
|
Nemo
Ветеран
    
Откуда: Криївка
Сообщений: 852
Репутация: 488
|
|
|
|
Выразили согласие: | |
|
Выразили согласие: | |
|
Sajk
Ветеран
Откуда: Киев
Сообщений: 910
|
RE: Пользователи музыкальных компьютеров объединяйтесь! / 30-06-2013 14:32
Продолжаю разговаривать сам с собой про Windows Server 2012 audiophile Core Edition, ссылку приводил выше.
Думаю, владельцам муз пк однозначно стоит попробовать. Идея довольно простая-берется Windows Server 2012 Core (то есть без GUI), ставятся драйверы + любимый плеер, запускается скрипт отключающий много служб и с разными твиками. На выходе отличный звук  , на Windows 7-8 с Fidelizerom в моем сетапе было хуже.
В ходе эксперементов с установкой получил лучший звук с USB порта на отдельнном контроллере Renesas (NEC), чем со стандартного от Intel.
Начал думать в сторону SOtM tX ( http://www.sonore.us/SOtM3.html#6), возможно кто-то уже пользовался, как впечатления?
|
|
|
|
Выразили согласие: | |
|
Выразили согласие: | |
|
Выразили согласие: | |
|
Выразили согласие: | |
|
Sajk
Ветеран
Откуда: Киев
Сообщений: 910
|
RE: Пользователи музыкальных компьютеров объединяйтесь! / 30-06-2013 18:19
(30-06-2013 18:08)Neprus писал(а): Почитал. Геморрой, сравнимый с настройкой cmp2 на ХР. А как они в сравнении по звуку?) Да нет там особого гемороя, установка cmp2 намного геморойнее. Ставится за час, из них пол-часа накатываются апдейты Виндовс...
С cmp2 не сравнивал, сравнивал с Виндовс 8 + Фидалайзер, Server 2012 победил.
|
|
|
|
Выразили согласие: | |
|
Выразили согласие: | |
|
petr.solo1223
Специалист
    
Откуда: Город -герой Харьков
Сообщений: 20 646
Репутация: 909
|
|
|
|
Выразили согласие: | |
|
Выразили согласие: | |
|
nail2501
Ветеран
    
Откуда: Москва
Сообщений: 457
Репутация: 22
|
RE: Пользователи музыкальных компьютеров объединяйтесь! / 01-07-2013 16:46
Купил две карты примерно одного уровня - ego-sys waveterminal 192x и emu 1212m. Несмотря на то что ему имеет lvds интерфес а не spdif звук под виндой на ней все равно хуже чем на сборке PE.
Использовая спдиф передатчик и приемник egosys в проф проге в режиме полного дуплекса используя АСИО интерфейс записал музыкальный сигнал в формате ваф длительностью 1 минута без каких либо перерасчетов и эффектов. Полученный сигнал был записан в файл и сравнен в winhex с исходником. Разницы ровно НОЛЬ. Кабель использовался за 300 рублей ллюксман, т.е.самый дешевый. Это доказывает, что кабель никак не влияет на передачу цифры. Несмотря на "большой джиттер" в кабеле, искажения фронтов сигнала прекрасно гасятся внутренней системой подавления джиттера внутри карты карты, типа фазовой автоподстройки частоты. НО!!!
Разница ведь в звуке есть между виндами. 90% уверен что джиттер влияет на звук только в момент преобразования. Винда - основной источник джиттера в компе. Если винде не работает 90% служб, драйверов, программ прочее, то джиттер минимален и фапч прекрасно справляется с коррекцией фронтов на дешевом кабеле. Разница между оптимизированной виндой и обычной именно в прозрачночти, в воздухе между инструментами. Больше ни в чем. Но именно это и слышно на сложных композициях.
И без разницы какие цапы вы используете, если сигнал приходит уже с джиттером. Имхо на первом месте винда, на втором - питание компа при одном и том же цапе и генераторе. имхо.
(Отредактировал 01-07-2013 в 17:14 nail2501.)
Чтобы не попасть в ад, вы должны всю жизнь просто сидеть на диване и смотреть в одну точку
|
|
|
|
Выразили согласие: | |
|
ostanko
Ветеран
    
Откуда: Мариуполь
Сообщений: 134
Репутация: 2
|
RE: Пользователи музыкальных компьютеров объединяйтесь! / 07-07-2013 09:53
Ув.специалисты!Нужен Ваш совет.
Имеется ПК следующей конфигурации:
1.Мат.плата-GA-MA785GMT-UD2H ( http://www.gigabyte.ua/products/mb/specs...2h_10.html )
2.Видеокарта-MSI Radeon HD 5770 HAWK
3.Звуковая карта-ASUS Xonar DX
4.Блок питания-High Power HP-550-G14C 550W
И к ним прилагается усилитель Sherwood AX-5505 и акустика Klipsh RB-81 II.Подключены они между собой(ПК и усилитель) кабелем TechLink WiresCR 3.5mm Stereo Plug to 2 x RCA/Phono Plugs 3m ( http://rozetka.com.ua/techlink_wirescr_3...3/p264501/ )
Теперь собственно вопросы.
Что нужно заменять(или ставить новое)что бы полностью раскрыть звучание акустики Klipsh RB-81 II?С чего нужно начинать?С учетом того что СD проигрыватель приобретать категорически не хочу(возня с дисками)
Посоветуйте конкретные компоненты, естественно по адекватной цене,которые возможно приобрести в Украине для улучшения звучания акустики.
Спасибо.С Ув.Сергей.Мариуполь.
(Отредактировал 07-07-2013 в 10:01 ostanko.)
|
|
|
|
Выразили согласие: | |
|
Пользователи просматривают эту тему: 3 Гость(ей)
|

|