Посоветуйте схему лампового УНЧ
Автор Сообщение
funtik7984 Не на форуме
Ветеран
*****

Откуда: Мариуполь
Сообщений: 408
Репутация: 432
RE: Посоветуйте схему лампового УНЧ / 08-02-2013 09:53
(07-02-2013 21:59)black_13 писал(а):  Что за ерунда, 2 страницы уже текста, а схема только одна. Чтож только один ламповых дел мастер на форуме готовый поделиться "сокровенным"?
Вам уже дали несколько рабочих схем, опробованных, собранных, звучащих (на 2А3, на 6П3С) и все кто отписался в вашу тему, собрали не один усилитель, и ссылок вам набросали...В чем еще вопрос? Может вы укажите сколько вам нужно вариантов схем (5, 10, 15,....) Biggrin
Найти все сообщения
 
Цитировать
black_13 Не на форуме
Ветеран
*****

Откуда: Kiev
Сообщений: 453
Репутация: 41
RE: Посоветуйте схему лампового УНЧ / 08-02-2013 11:02
Думаю достаточно, спасибо за советы Улыбка

Движение — всё, цель — ничто!
Найти все сообщения
 
Цитировать
groove Не на форуме
Ветеран
*****

Откуда: Харків
Сообщений: 10 186
Репутация: 463
RE: Посоветуйте схему лампового УНЧ / 08-02-2013 11:45
Biggrin
тс так и не сказал о необходимой мощности....
размышления о гм70 порадовали Happy0196
Найти все сообщения
 
Цитировать
AntonZP Не на форуме
Ветеран
*****

Откуда: Příbram
Сообщений: 8 764
Репутация: 364
RE: Посоветуйте схему лампового УНЧ / 08-02-2013 12:20
(08-02-2013 11:45)groove писал(а):  размышления о гм70 порадовали Happy0196
неужели кто-то раскроет дверку в свой параноидальный
мирок и расскажет о своих не Happy0196 решениях ?
или как всегда ?
Найти все сообщения
 
Цитировать
groove Не на форуме
Ветеран
*****

Откуда: Харків
Сообщений: 10 186
Репутация: 463
RE: Посоветуйте схему лампового УНЧ / 08-02-2013 12:29
как всегда - это про вас. слышал звон одним словом...Happy0196
по гм70 расписано все более чем, инфа как с месяц висит
Найти все сообщения
 
Цитировать
AntonZP Не на форуме
Ветеран
*****

Откуда: Příbram
Сообщений: 8 764
Репутация: 364
RE: Посоветуйте схему лампового УНЧ / 08-02-2013 12:57
(08-02-2013 12:29)groove писал(а):  по гм70 расписано все более чем, инфа как с месяц висит
и меется ввиду не мурзилочное "бла-бла-бла", а технические решения. внутренности где ?
Найти все сообщения
 
Цитировать
petr.solo1223 Не на форуме
Специалист
*****

Откуда: Город -герой Харьков
Сообщений: 20 646
Репутация: 909
RE: Посоветуйте схему лампового УНЧ / 08-02-2013 13:33
(08-02-2013 12:57)AntonZP писал(а):  
(08-02-2013 12:29)groove писал(а):  по гм70 расписано все более чем, инфа как с месяц висит
и меется ввиду не мурзилочное "бла-бла-бла", а технические решения. внутренности где ?
Уважаемый,умерьте аппетиты,для "старта" Вам накидали, а ежели Вы под простачка косите и хотите чё нибудь выведать....так тут волчары таких на завтрак ...Biggrin
Найти все сообщения
 
Цитировать
AntonZP Не на форуме
Ветеран
*****

Откуда: Příbram
Сообщений: 8 764
Репутация: 364
RE: Посоветуйте схему лампового УНЧ / 08-02-2013 13:38
(08-02-2013 13:33)petr.solo1223 писал(а):  Уважаемый,умерьте аппетиты,для "старта" Вам накидали...
мне? Happy0196

спасибо, я уже наелся триодной сахарной ваты.
(Отредактировал 08-02-2013 в 13:44 AntonZP.)
Найти все сообщения
 
Цитировать
mario85 Не на форуме
Ветеран
*****

Откуда: Николаев
Сообщений: 14
Репутация: 214
RE: Посоветуйте схему лампового УНЧ / 08-02-2013 13:44
(08-02-2013 12:20)AntonZP писал(а):  
(08-02-2013 11:45)groove писал(а):  размышления о гм70 порадовали Happy0196
неужели кто-то раскроет дверку в свой параноидальный
мирок и расскажет о своих не Happy0196 решениях ?
или как всегда ?
А я вот, почти все компоненты собрал для проекта на ГМ-70, тоже их слегка побаиваюсь, но хочу Happy0065 ... Питание кенотронное, дроссели, куча МБГВ 100*1000, и т.д. Схема, считаю самая оптимальная, минимум деталей - максимум качество трансов (и всего остального). Уже 3 года о ней мечтаю Love0030, но, потихоньку воплощаю в жизнь.Ashamed0006 Теперь все упирается во времяMad0228 ...

   
(Отредактировал 08-02-2013 в 13:46 mario85.)
Найти все сообщения
 
Цитировать
 Выразили согласие: AntonZP , Yuri S
black_13 Не на форуме
Ветеран
*****

Откуда: Kiev
Сообщений: 453
Репутация: 41
RE: Посоветуйте схему лампового УНЧ / 08-02-2013 14:11
Мда, время это самый дорогой компонент схемы для меня тоже Улыбка

Движение — всё, цель — ничто!
Найти все сообщения
 
Цитировать
groove Не на форуме
Ветеран
*****

Откуда: Харків
Сообщений: 10 186
Репутация: 463
RE: Посоветуйте схему лампового УНЧ / 08-02-2013 17:22
(08-02-2013 13:44)mario85 писал(а):  
(08-02-2013 12:20)AntonZP писал(а):  
(08-02-2013 11:45)groove писал(а):  размышления о гм70 порадовали Happy0196
неужели кто-то раскроет дверку в свой параноидальный
мирок и расскажет о своих не Happy0196 решениях ?
или как всегда ?
А я вот, почти все компоненты собрал для проекта на ГМ-70, тоже их слегка побаиваюсь, но хочу Happy0065 ... Питание кенотронное, дроссели, куча МБГВ 100*1000, и т.д. Схема, считаю самая оптимальная, минимум деталей - максимум качество трансов (и всего остального). Уже 3 года о ней мечтаю Love0030, но, потихоньку воплощаю в жизнь.Ashamed0006 Теперь все упирается во времяMad0228 ...
в гм70 нет ничего страшного.
ваша схема + кенотроны+дроссели+мбго даст пушистый, мягкий звук, с подмазанным басом. для джаза - норм.
БСО, электронику, рок играть не будет.
Найти все сообщения
 
Цитировать
Serega Не на форуме
Ветеран
*****

Откуда: Днепропетровск
Сообщений: 7 011
Репутация: 57
RE: Посоветуйте схему лампового УНЧ / 08-02-2013 17:48
(07-02-2013 18:59)black_13 писал(а):  Посоветуйте схему лампового унч для самостоятельного изготовления. Очень уж хочется попробовать сделать для себя ламповый усилитель. Интересует схема средней сложности изготовления, простая в настройке с общим бюджетом комплектующих до 3000 грн.
Морально готов к неспешному выбору комплектующих и неторопливой сборке.
В инете море инфы, море схем, уйма проэктов - теряюсь. Интересуют именно проверенные на практике схемы.
Заранее спасибо!
Вот схемка нормальная. По аналогам ламп 6SL7 - 6Н9С, 6SN7 - 6Н8С, 6L6 - 6П3С. Если не найдете оринальные выходники Acrosound TO-300, то можно взять современные Hammond 1650H ну или намотать самостоятельно 6,6кОм анод-анод.
   
(Отредактировал 08-02-2013 в 17:54 Serega.)

Естественных дел мастер...

"...обучение редко приносит плоды кому-либо, кроме тех, кто предрасположен к нему, но им оно почти не нужно..." (Гиббонс)
Найти все сообщения
 
Цитировать
AntonZP Не на форуме
Ветеран
*****

Откуда: Příbram
Сообщений: 8 764
Репутация: 364
RE: Посоветуйте схему лампового УНЧ / 08-02-2013 18:47
(08-02-2013 17:22)groove писал(а):  в гм70 нет ничего страшного.
ваша схема + кенотроны+дроссели+мбго даст пушистый, мягкий звук, с подмазанным басом. для джаза - норм.
БСО, электронику, рок играть не будет.
это схема Шалина, конечно если прикрутить трансы размером с кулачек, то бас будет подмазанным.
даже шалинского габарита 400 Ватт будет мало.

надо будет пересчитать какая там альфа получается.
Найти все сообщения
 
Цитировать
BDmytriy Не на форуме
Ветеран
*****

Откуда: Киев
Сообщений: 612
Репутация: 203
RE: Посоветуйте схему лампового УНЧ / 08-02-2013 20:25
Не далее как вчера мой сын (18 лет) почти закончил четвертый свой усилитель (ламповый однотактный). Остались последние штрихи по косметике. Но уже полноценно работает. Бюджет более чем скромный: вместе с фабричным корпусом, купленном на радиорынке в Киеве составил в пределе 500 гривен. К затее сына сначала относился скептически. Послушал готовое изделие - был очень приятно удивлен звуком. Схему и наименование основных элементов возьму у него и обязательно отпишусь. Фото прилагаю.

       
Найти все сообщения
 
Цитировать
 Выразили согласие: AudioMan , AntonZP , kleonn
black_13 Не на форуме
Ветеран
*****

Откуда: Kiev
Сообщений: 453
Репутация: 41
RE: Посоветуйте схему лампового УНЧ / 09-02-2013 00:10
Схема выбрана, будет Моррисон micro на лампе 2A3
Спасибо triumph76 за предоставленную информацию, а также другим отзывчивым и не очень ;-)
P.S. Ушел в медитации по выбору комплектующих .....

Движение — всё, цель — ничто!
Найти все сообщения
 
Цитировать
 Выразили согласие: petr.solo1223
Yuri S Не на форуме
Специалист
*****

Откуда: Харьков
Сообщений: 11 204
Репутация: 909
RE: Посоветуйте схему лампового УНЧ / 09-02-2013 11:58
Ура! Ждем продолжения с фотками! Party0012
Найти все сообщения
 
Цитировать
Serega Не на форуме
Ветеран
*****

Откуда: Днепропетровск
Сообщений: 7 011
Репутация: 57
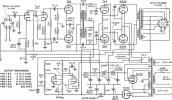
RE: Посоветуйте схему лампового УНЧ / 09-02-2013 12:33
(09-02-2013 00:10)black_13 писал(а):  Схема выбрана, будет Моррисон micro на лампе 2A3
Спасибо triumph76 за предоставленную информацию, а также другим отзывчивым и не очень ;-)
P.S. Ушел в медитации по выбору комплектующих .....
Один из лучших на 2а3:
   

Audio Amplifier
Transient waveforms should be transmitted
without distortion since audible
sounds have very important transient
characteristics. Percussion instruments
and staccato scores on the brasses demand
good transient response. A square
wave introduced into an amplifier and
viewed on a scope is a good test for
transient responses. Fig. 3 shows a
5000-cycle square wave through this
amplifier.
Good transient response is accomplished
by extending the frequency range
and having negligible phase shift
between input and output of an
amplifier.
Transformer resonance can cause
slight oscillations well above the audible
range. If the phase shift at these
oscillation frequencies is sufficient to
cause the feedback to become positive,
regeneration will take place, resulting in
sustained oscillations and overloading
of the amplifier at super-audible frequencies.
This can be avoided by
reducing the gain of the amplifier
above the useful frequency range, or by
preventing the occurrence of these
oscillations by proper design of the
output transformer.
The transformers are completely free
from saturation or leakage reactance
effects from 25 to 20,000 cycles at any
power up to maximum output. The
low frequency response is flat within 2
dB to 3 cycles. The extremely low
frequency response in the amplifier is attenuated
in the first stage to eliminate
the effects of transients in tuning a radio
receiver, or phonograph turntable eccentricity,
or rumble. Some amplifiers
for industrial application have made use
of this good low frequency response.
The low-frequency attenuation is accomplished
by using a condenser in
series with the input to the grid of
the first tube. The complete schematic
is shown in Fig. 4.
The output transformer is largely responsible
for the fine performance of the
amplifier. It looks like a simple
end-bell type of transformer, but
with larger-than-the-usual output
transformers. The amount of iron in the
transformer and the unique, very complicated
wind structure gives the transformer
no frequency discrimination and
negligible phase shift over the entire
audio range.
Negative Feedback
Everything possible was done to produce
a perfect audio amplifier without
using feedback. After this was accomplished,
11 dB of feedback was added.
This amplifier without feedback has as
good a frequency response as usual
high-fidelity amplifiers with feedback. In
other words, it does not depend entirely
upon feedback
for its 0.2 dB variation from 20 to
20,000 cycles.
The input impedance to the amplifier
is normally 0.5 megohms. An input
transformer is hermetically sealed. It is
well shielded from magnetic pickup by
having three nickel alloy shields. The
leads pick up more hum than the transformer.
Power is available for operating additional
preamplifiers or a tuner. The
voltages available are 6.6 volts at 5.5
amps, and 300 volts at 90 ma, DC.
The distortion at full output of 30
watts is less than 2.5 per cent. The
intermodulation distortion, or doublefrequency
results, are extremely low.
Taken at 24 watts at 50 cycles and 1.5
watts at 1000 cycles, the
intermodulation distortion is 1.7 per
cent. Taken at 4.7 watts at 50 cycles
and 0.3 watts at 1000 cycles, the
intermodulation distortion is 0.2 per
cent, referred to the 1000-cycle signal.
Listening tests carried out in conjunction
with a wide-range loudspeaker system
have fully supported the measured
performance. We could not detect distortion
in reproducing organ music including
25-cycle pedal notes. It
provides an ideal amplifier for
sound-recording purposes, FM
monitoring or anywhere else where
distortionless amplification is necessary.

AUDIO ENGINEERING • JUNE, 1947

Естественных дел мастер...

"...обучение редко приносит плоды кому-либо, кроме тех, кто предрасположен к нему, но им оно почти не нужно..." (Гиббонс)
Найти все сообщения
 
Цитировать
element Не на форуме
Ветеран
*****

Откуда: Харьков
Сообщений: 8 379
Репутация: 1273
RE: Посоветуйте схему лампового УНЧ / 09-02-2013 17:09
С изменяюимся(плавающим)напряжением смещения выходных 2А3.С увеличенной выходной мощностью до 30W (в данной схеме-до 24w).Режим работы выходных ламп в процессе работы(зависит от отдаваемой мощности и)изменяется от режима А до режима В.
Найти все сообщения
 
Цитировать
AntonZP Не на форуме
Ветеран
*****

Откуда: Příbram
Сообщений: 8 764
Репутация: 364
RE: Посоветуйте схему лампового УНЧ / 09-02-2013 20:59
(09-02-2013 12:33)Serega писал(а):  Один из лучших на 2а3:
[Изображение: post_91_1360402332_36a52a7e21ef14853629e..._thumb.jpg]
да Happy0144 для начинающего самое то Biggrin
(Отредактировал 09-02-2013 в 21:00 AntonZP.)
Найти все сообщения
 
Цитировать
 Выразили согласие: vadimkanik63 , AVM , triumph76 , kleonn , Сергей из Харькова , semen148 , mario85
ig67 Не на форуме
Ветеран
*****

Откуда: Украина, Донецк
Сообщений: 618
Репутация: 82
RE: Посоветуйте схему лампового УНЧ / 09-02-2013 21:37
Пожелание "простая в настройке" выполняется на все 100 Happy0158
Найти все сообщения
 
Цитировать
 Выразили согласие: vadimkanik63 , AVM , kleonn , Сергей из Харькова , semen148


Переход:


Пользователи просматривают эту тему: 1 Гость(ей)

Orion

Администрация форума | Статистика форума | Обратная связь | Вернуться к содержимому | Справка | Лёгкий режим | Список RSS