Сильная просадка анодного для 6С4С
|
Автор |
Сообщение |
AVM
Ветеран
    
Откуда: Новая Каховка
Сообщений: 3 302
Репутация: 724
|
RE: Сильная просадка анодного для 6С4С / 16-08-2015 21:12
(16-08-2015 11:17)kozij писал(а): Схема выглядит так
Использую мощное 5А реле на 220 вольт с двумя раздельными группами контактов.
Емкости фильтра заряжаются через токоограничивающий резистор 8-10кОм, достигнув 220-ти вольт , реле замыкает этот резистор и другой группой котактов подключает анодное на нагрузку. Резистор в цепи обмотки реле подобрать по четкому срабатыванию и не сильному превышению напряжения на обмотке.
Использую "Реле промежуточное LY3 AC 220" из магазина "Электропроводка". Небольшое превышение напряжения они терпят хорошо (анодное у меня 270В, а на реле 240В) Хорошая схемка,но есть вероятность что реле так и не "притянет", тогда резики 8-10кОм пойдут дымком 
А если притянет, в акустике буде "гуп", не страшно но не приятно.
6С4С имеет время готовности 5 секунд, как и кен 5Ц3С. Ничего "задерживать" не нужно. Если так уж хочется задержки, поставьте 5Ц4С - это уже 30секунд, или 5АР4 - около минуты или 6Д20С - почти полторы минуты. Зачем реле? Зачем плодить сущности? Реле к стати, очень не любит замыкать и размыкать постоянку, Вы в курсе?
Есть еще нюанс, касается безумных емкостей в анодном питании, это должно коррелировать с емкостями в цепи смещения. Иначе, сразу после выключения, запирающее сеточное убывает быстро,при этом все "бочки " в анодном разряжаются через нашу драгоценную выходную лампу
Лучше знать, чем верить.
|
|
|
|
Выразили согласие: | |
|
Выразили согласие: | |
|
element
Ветеран
    
Откуда: Харьков
Сообщений: 8 377
Репутация: 1273
|
|
|
|
Выразили согласие: | |
|
warrant
Ветеран
    
Откуда: Харьков
Сообщений: 45
Репутация: 56
|
|
|
|
Выразили согласие: | |
|
O V K
Ветеран
    
Откуда: Запорожье
Сообщений: 4 021
Репутация: 341
|
RE: Сильная просадка анодного для 6С4С / 17-08-2015 10:04
(16-08-2015 21:12)AVM писал(а): Хорошая схемка,но есть вероятность что реле так и не "притянет", тогда резики 8-10кОм пойдут дымком 
А если притянет, в акустике буде "гуп", не страшно но не приятно.
6С4С имеет время готовности 5 секунд, как и кен 5Ц3С. Ничего "задерживать" не нужно.
Есть еще нюанс, касается безумных емкостей в анодном питании, это должно коррелировать с емкостями в цепи смещения. Иначе, сразу после выключения, запирающее сеточное убывает быстро,при этом все "бочки " в анодном разряжаются через нашу драгоценную выходную лампу 
Если реле "не притянет" емкости плавно зарядятся до напряжения холостого хода. Резистору ничего не будет, формованным электролитам
тоже. 300 вольтовые формованные эл. конденсаторы при плавном заряде легко держат до 400В.
У меня не 6с4с , а 6A5G , лампа с косвенным накалом, время готовности - 10 сек.
Усилитель с двумя питаниями и виртуальной землей выходного каскада, но даже и с обычной фиксой все нормально будет,
так как припасена еще одна фишка.
Сетевой выключатель имеет две свободные ,постоянно замкнутые,
группы контактов. При выключении они подключают к конденсаторам
разрядные резисторы. Анодное напряжение в течении 3 секунд
падает до 180 В (напряжение размыкания) и реле отключают анод
лампы от емкостей фильтра. Даже накал не успевает остыть.
Спешу ответить на не заданный вопрос по сетевому выключателю.
Он маломощный с 4 группами контактов и коммутирует обмотку сетевого мощного реле, находящегося в выносном блоке питания,
непосредственно возле сетевого гнезда.
Понимаете, это не прожект, это реальный усилитель, работающий без нареканий уже 3 года.
|
|
|
|
Yuri S
Специалист
    
Откуда: Харьков
Сообщений: 11 204
Репутация: 909
|
|
|
|
Выразили согласие: | |
|
O V K
Ветеран
    
Откуда: Запорожье
Сообщений: 4 021
Репутация: 341
|
|
|
|
Выразили согласие: | |
|
warrant
Ветеран
    
Откуда: Харьков
Сообщений: 45
Репутация: 56
|
|
|
|
Выразили согласие: | |
|
O V K
Ветеран
    
Откуда: Запорожье
Сообщений: 4 021
Репутация: 341
|
RE: Сильная просадка анодного для 6С4С / 17-08-2015 14:46
(17-08-2015 14:35)warrant писал(а): Так а 2 кена в параллель дадут что-то?
Не стоит.
Если моя схемка сложна, как вариант, поставить резистор 3-5кОм , который вручную, тумблером , замыкать через секунд 30.
Получится ступенчатый заряд, но это лучше, чем палить кенотроны.
Еще вариант, если на трансформаторе есть выводы от половин
анодных обмоток поставить с них диоды. Первоначальный ток заряда
конденсаторов они обеспечат, а при превышении половины питания,
кенотрон возьмет всю работу на себя.
|
|
|
|
Выразили согласие: | |
|
Выразили согласие: | |
|
AVM
Ветеран
    
Откуда: Новая Каховка
Сообщений: 3 302
Репутация: 724
|
RE: Сильная просадка анодного для 6С4С / 17-08-2015 20:10
(17-08-2015 10:04)kozij писал(а): Если реле "не притянет" емкости плавно зарядятся до напряжения холостого хода. Резистору ничего не будет, формованным электролитам
тоже. 300 вольтовые формованные эл. конденсаторы при плавном заряде легко держат до 400В.
У меня не 6с4с , а 6A5G , лампа с косвенным накалом, время готовности - 10 сек.
Усилитель с двумя питаниями и виртуальной землей выходного каскада, но даже и с обычной фиксой все нормально будет,
так как припасена еще одна фишка.
Сетевой выключатель имеет две свободные ,постоянно замкнутые,
группы контактов. При выключении они подключают к конденсаторам
разрядные резисторы. Анодное напряжение в течении 3 секунд
падает до 180 В (напряжение размыкания) и реле отключают анод
лампы от емкостей фильтра. Даже накал не успевает остыть.
Спешу ответить на не заданный вопрос по сетевому выключателю.
Он маломощный с 4 группами контактов и коммутирует обмотку сетевого мощного реле, находящегося в выносном блоке питания,
непосредственно возле сетевого гнезда.
Понимаете, это не прожект, это реальный усилитель, работающий без нареканий уже 3 года. Потребление реле я ведь не знаю, так? Номиналов элементов не привели, так? Тренированные кондеры держат завышенное напряжение, тут согласен.
Насчет тумблера, с дополнительной группой... такую схемы применял так же, и в транзисторных усилителях в том числе.
Но есть нюанс - может пропасть сетевое напряжение, может отойти вилка или еще что - схема не сработает. Я от подобных схем отказался, лучше классику. Часто ставил сетевой выключатель в ламповики, галетный, на три положения : выключено-накал-работа.
Естественно при переводе на "накал", происходит разряд емкостей.
Коммутация анодного - только в цепи анодной обмотки (переменка) тогда нет "гуп" в колонках при включении "анод". Такая схема позволяет всегда держать лампы в разогретом состоянии или сделать предварительный прокал новых ламп.Незнаю, показывать ли мне фото и схемы... я это здесь делал уже не однократно.
(17-08-2015 14:51)Radioliubovnik писал(а): Только головняк (при прямом подключении - вывод к выводу). 
Внутреннее сопротивление лампы хоть и немного, но будет отличаться даже между экземплярами одной партии. Для компенсации придется цеплять дополнительные резисторы.
Ничего там не надо цеплять, просто взять пару кенотронов одной партии в одинаковом состоянии. Кроме всего, в том же 5Ц3С, и подобных, две лампы внутри баллона - они не идеальны, есть разница и в геометрии и в эмиссии, и токе накала, но на этом никто не заморачиваеться. У меня есть изготовленные мной моноблоки на базе Филипсов, там тупо в параллель пара 5Ц3С - никаких проблем.
(Отредактировал 17-08-2015 в 20:15 AVM.)
Лучше знать, чем верить.
|
|
|
|
Выразили согласие: | |
|
Radioliubovnik
Ветеран
    
Откуда: Новая Каховка
Сообщений: 2 196
Репутация: 481
|
RE: Сильная просадка анодного для 6С4С / 17-08-2015 22:09
(17-08-2015 20:10)AVM писал(а): просто взять пару кенотронов одной партии в одинаковом состоянии. Где гарантия, что через неделю-месяц состояние и параметры двух ламп из одной партии останутся одинаковыми?
Их нет... гарантий.
Даже при параллельном включении транзисторов ставят балансные резисторы. Да, транзистор легче убить, чем лампу, но резисторы и там нужны.
То, что работает, не значит, что работать буде долго и правильно.
P.S. Недавно экспериментировал с параллельным включением двух стабов LT1085, надо было получить 12В 15А, выбрал из десятка два с одинаковым выходным напряжением во втором знаке после запятой. Когда спаял в параллель и подал питание, то один (!!!) из них грелся аж до 60 градусов даже без нагрузки. После подпайки на выход каждого, в качестве балансного резистора, по проводу с сопротивлением 0,015 Ом (мерял миллиомметром) - все стало на свои места. Нагрев ушел, стабы заработали нормально. Хотя все это я знал, смотрел даташит, но дужэ свербило попробовать.
|
|
|
|
Выразили согласие: | |
|
AVM
Ветеран
    
Откуда: Новая Каховка
Сообщений: 3 302
Репутация: 724
|
RE: Сильная просадка анодного для 6С4С / 17-08-2015 22:23
Саша, по кенам, гарантию могу дать лично 
Параметры лампы очень сильно меняются и в течении часа и в течение всего срока эксплуатации. Разброс по сравнению с транзисторами в километры. Так что, "притрутся", ничего не будет.
По поводу транзисторов (прошу прощения за офф топ). В отличии от кенотрона,
это активный элемент, резисторы установленные в эмиттере, дают некоторую местную ОС по току. При спараллеливании, когда базы вместе, а эмиттеры через резисторы - происходит эффект выравнивания, с кенотронами и лампами такого нет - принципы работы другие (ну разве что с автосмещением , и то...)
А уж если говорить от интегральных стабах.... следует помнить что это микросхема,
выравнивающий резистор конечно нужен, но... лучше сделать стандартный стаб с регулирующим транзистором нужной мощности. А веселенькое поведение параллельных интегральных стабилизаторов, чаще всего происходит от паразитной ВЧ генерации, нужно смотреть скопом, проволочки/резисторы как раз могут спровоцировать ВЧ возбуд - это ведь еще и индуктивность
Лучше знать, чем верить.
|
|
|
|
Выразили согласие: | |
|
Radioliubovnik
Ветеран
    
Откуда: Новая Каховка
Сообщений: 2 196
Репутация: 481
|
|
|
|
Выразили согласие: | |
|
O V K
Ветеран
    
Откуда: Запорожье
Сообщений: 4 021
Репутация: 341
|
RE: Сильная просадка анодного для 6С4С / 18-08-2015 09:42
(17-08-2015 20:10)AVM писал(а): Насчет тумблера, с дополнительной группой... такую схемы применял так же, и в транзисторных усилителях в том числе.
Но есть нюанс - может пропасть сетевое напряжение, может отойти вилка или еще что - схема не сработает. Я от подобных схем отказался, лучше классику. Часто ставил сетевой выключатель в ламповики, галетный, на три положения : выключено-накал-работа.
Естественно при переводе на "накал", происходит разряд емкостей.
Коммутация анодного - только в цепи анодной обмотки (переменка) тогда нет "гуп" в колонках при включении "анод". Такая схема позволяет всегда держать лампы в разогретом состоянии или сделать предварительный прокал новых ламп.Незнаю, показывать ли мне фото и схемы... я это здесь делал уже не однократно.
Ничего там не надо цеплять, просто взять пару кенотронов ... При пропадании сетевого напряжения Ваша схема ничуть не лучше 
В моей в конце-концов обмотка реле подразрядит конденсаторы и
оставшееся напряжение отключится от анода, да и конденсаторы,
таки разрядятся. А в Вашей о-очень долго будут держать заряд.
Может неосторожного ремонтника ёпнуть 
Да и согласитесь, включать одной кнопкой усилитель много приятнее,
чем маневрировать курбелями, чувствуя себя космонавтом.
В колонках (Лаутерах!) никакого "гуп" нет,легкий щелчок только, если ухо в динамик сунуть.
Оно , конечно, можно и два и , и три кенотрона в параллель поставить, но как то это прямолинейно и затратно.
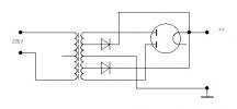
Народ пропустил предложение поставить зарядные диоды,
если у транса есть выводы от прим. середины обмоток, то проще уже
некуда. Кен при старте не искрит, диоды в "звуке" не участвуют.
|
|
|
|
Выразили согласие: | |
|
Выразили согласие: | |
|
Пользователи просматривают эту тему: 1 Гость(ей)
|

|